687237583236
1、熔丝熔断
(一)根除短路故障
测量AC 220V输入电路的熔丝F801和限流防浪涌电阻RT801是否烧断,如果F801或RT801之二烧断,说明电源部分有严重的短路故障。首先排除电源短 路漏电故障:一是检查抗干扰电路的电容C801、C803、C804是否击穿短路;二是检查市电整流滤波电路VD801~VD804、C810是否击穿短 路;三是检查开关电源的开关管V801是否击穿。
(二)排查开关管击穿原因
如果V801击穿,还要排除V801的击穿原因,避免更换后再次损坏。造成V801击穿的原因,.一是V801的漏极外接的VD806、C806、 R804组成的尖峰脉冲吸收电路发生开路故障,失去尖峰脉冲吸收作用,将V801击穿;二是N801的7脚外部的取样误差放大电路发生开路、失效、变质故 障,造成开关电源输出电压升高,将V801击穿;三是V801的栅极电路元器件发生故障.造成V801由于激励不足出现过损耗损坏。
2、熔丝未断
(一)测量300V电压
如果熔丝未断,则故障在开关电源电路。首先测量大电容C810两端形成的300V左右电压,如果无300V电压,则是市电输入电路或整流滤波电路发生开路故障。
(二)测量 N801电压
如果300V电压正常,则测量N801的2脚有无启动电压,该电压应该在9~15V之间。如果2脚无启动电压,检查2脚外部的R808-- R810启动电路是否开路;如果2脚有启动电压,测量N801的1脚有无激励脉冲输出,如果其值在0~3V之间变动,说明N801工作是正常的。如果无激 励脉冲输出,则是以N801为核心的振荡控制电路发生故障,否则是N801的1脚外部的V813、V814、V801发生故障。如果驱动控制电路N801 发生故障,首先检测N801的各脚电压和外围元器件是否正常,外围元器件正常时,更换N801。
例5-1:开机三无。指示灯不亮。
分析与检修:观察指示灯不亮,检测电源板无12V输出,判断故障在电源电路中。通电测C810两端电压为0V,检测熔丝F801已经熔断,说明电源部分存在严重的短路故障。
测量电源部分整流滤波电路,未发现短路元器件;检查电源输出电路,发现大功率MOSFET(开关管)V801击穿,检查V801外部元器件,发现尖峰脉冲 吸收电路的R804引脚开焊,造成尖峰脉冲吸收功能失效,将V801击穿。将R804补焊后,再更换V801,开机时指示灯亮后熄灭。开机指示灯亮,说明 开关电源已经启动,亮后熄灭,很可能是保护电路启动。测量开关电源输出端,有电压输出,然后降低到0V。
考虑到V801击穿,很可能将其S极电阻烧焦变大,检查发现V801的源极电阻R822阻值变大,由正常时的0. 82Ω增大到10Ω以上,且不稳定,致使正常的电流在R822上的电压降增大,保护电路误启动。更换R822后,故障彻底排除。
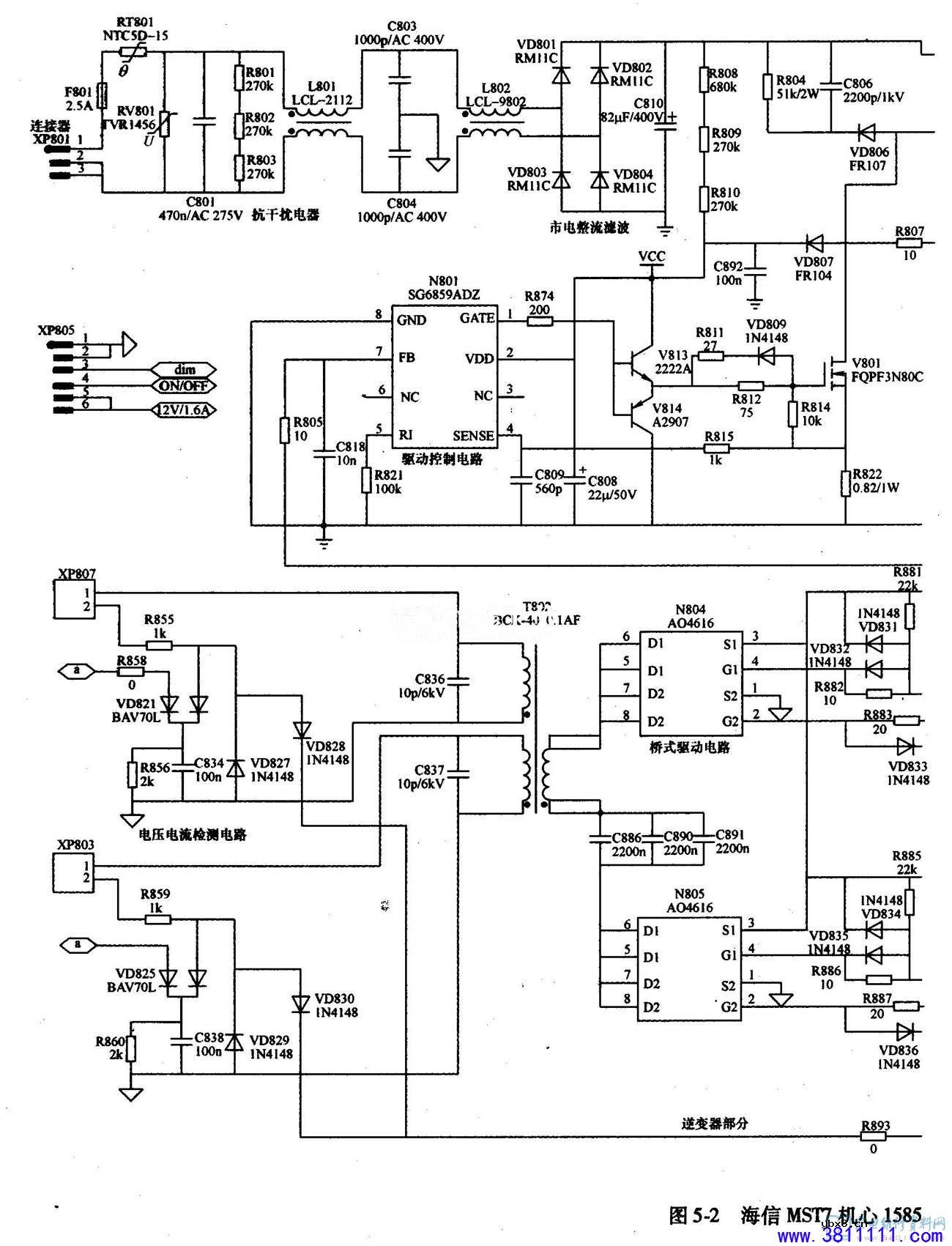
三、高压板电路工作原理
1、高压板基本电路
高压板电路的振荡和控制电路N806采用KA7500C,互补全桥电路双MOSFET(开关管)N804、N805采用A04616,与升压变压器T802配合,输出750V交流高压,经连接器XP803、XP807为背光灯管供电。
(一)KA7500 C简介
KA7500C是专用的液晶产品背光控制检测电路,其内部电路框图如图5-4所示,内部设有振荡电路、比较器、误差放大器、脉冲翻转电路、参考电压、输出 驱动电路等,其引脚功能和对地电压见表5-2。为了保证不同行频时输出的交流电压稳定,KA7500C外部设有电压、电流检测稳定电路。



(二)启动工作过程
主板控制系统输出的高压板ON/OFF点灯控制电压为高电平,经XP805的4脚送入电源板;背光灯DIM亮度调整电压通过连接器XP805的3脚送入电源板;电源电路的12V/1. 6A电压直接送到互补全桥电路双开关管N804, N805的3脚。
开机后主电路板送来的ON/OFF点灯控制电压经VD813、R831送到点灯控制电路V803的基极,使V803和PNP晶体管V804导通,将电源部 分输出的+12V/1. 6A电压送到高压板电路N806的12脚,N806振荡电路启动,产生脉冲信号,经内部电路处理后,从8、9脚和10、11脚输出两路PWM脉冲信号,送 到全桥驱动升压电路。
(三)全桥驱动升压电路
全桥驱动升压电路由N804, N805和升压变压器T802等组成。N804、N805内含两个开关管,NE.04和N805组成桥式推挽输出电路。
N806的8脚输出的PWM脉冲经V818、V819放大后,送到N804的驱动双开关管的G1、G2极,10脚输出的PWM脉冲经V807、V808放大后,送到N805的驱动双开关管的G1、G2极。
在驱动脉冲的激励下,N804、N805内部的开关管交替工作,在升压变压器T802产生感应电压,其二次侧的两个高压绕组产生的750V交流高压,经连接器XP803、XP807送到两只背光灯管,将背光灯管点亮。
2、调整与保护电路
(一)亮度调整
N806的1脚为误差放大器1的正输入端,外接亮度调整电路,背光灯DIM亮度调整电压通过连接器XP805的3脚送入电源板,经R852送到N806的 1脚,控制输出激励脉冲的占空比,控制背光灯管亮度。N806的5脚外接定时电容,决定芯片的工作频率。5脚不但外接固定电容C830,还设有C831、 V805等组成的频率自动调整电路。
高压输出连接器XP803、XP807的2脚为CCFL的电流回路。XP803的2脚产生的电压经VD829、VD830整流,XP807的2脚产生的电 压经VD827、VD828整流,两路整流后的检测电压分为两路:一路送到N806的1脚,控制输出激励脉冲的占空比,从而控制背光灯管的亮度;另一路送 到5脚外部的V805的基极,控制N806的5脚外接定时电容C831的介入,对芯片的工作频率进行自动调整,达到自动调整亮度的目的。
(二)保护电路
N806的16脚为误差放大器2的正输入端,外接以V820为核心的保护检测电路,对高压输出连接器XP803、XP807的2脚CCFL电流回路电压进行检测。
XP803的2脚产生的电压经VD825整流产生检测电压,XP807的2脚产生的电压经VD821整流产生检测电压,两路整流后的检测电压送到V820 的基极,经V820放大后对N806的16脚进行控制。当输出电压和背光灯管电流正常时,V820输出电压较低;当连接器XP803、XP807的背光灯 管发生故障、造成电流异常时,V820输出电压升高;当N806的16脚电压高于15脚时,内部停止输出激励脉冲。
四、高压板电路故障维修
1、背光灯始终不亮
(一)测量高压板工作条件
首先测量电源板与主电路板之间的连接器XP805的4脚ON/OFF点灯控制电压和3脚DIM亮度调整电压是否正常。如果不正常,故障在主控板电路;如果正常,故障在高压板电路。
(二)检测高压电路
测量背光灯控制电路N806的8、10脚是否有激励脉冲输出,如果无脉冲输出,故障在背光灯控制N806电路,重点检查N806及其外部电路,测量 N806的各脚电压,判断故障所在,外围元器件正常时更换N806;如果有脉冲输出,重点检查激励电路V807、V808、V818、V819和易发生故 障的高压形成电路N804、N805、T802。如果N804、N805损坏,务必用万用表检测晶体管V807、V808、V818、V819是否连带损 坏,避免更换N804、N805后再次损坏。
2、背光灯亮后熄灭
如果背光灯亮一下然后熄灭,则是高压板保护电路启动。引发保护电路启动的原因有两个:一是灯管开路、高压插座不良或输出高压线没有插好;二是开关变压器T802二次绕组发生短路、接触不良。
如果测量N806的16脚21N+电压大于3V,检查以V820为核心的保护电路,检查二极管VD814是否短路等;如果N806的4脚DTC CON电压大于3V,则检查电阻R835、R836是否焊接不良。
例5-2:开机后有伴音,屏幕亮一下即灭。
分析与检修:开机后指示灯亮,几秒钟后伴音出现,屏幕上刚显示出图像,马上熄灭,判断高压板电路的保护电路动作。
对高压板电路的供电、控制电压进行检查,均正常。开机的瞬间,用数字表交流电压档,黑表笔接地,红表笔搭接XP803、XP807高压输出连接器的插头外皮,利用电磁感应测 量交流输出电压,测得开机后的几秒钟内有150V左右的交流感应电压输出,当灯管刚亮时,马上消失。将两个连接器的检测电压进行比较,发现XP803的感 应交流电压偏高,此时测量KA75000的16脚电压大于3V,判断是XP803连接器相关的灯管或高压升压电路发生故障。试更换与XP803相连接的灯 管后,故障排除。