5363563563
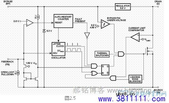
NCP1396是16脚双列封装、引脚的功能如下:
引脚序号 / 引脚名称 / 中文解释
1 CSS 软启动控制 外接软启动控制电容
2 Fmax 最大頻偏限制
3 Ctimer 振荡定时电容
4 RT 振荡定时电阻
5 BO 输入欠压保护
6 FB 稳压控制
7 DT 间歇时间设定
8 FF 保护控制输入
9 SF 延迟保护控制输入
10 GND 地
11 Mlower 激励输出,下功率输出管
12 VCC 集成电路供电
13 空
14 HB 上功率管 信号零电位端
15 Mupper 激励输出,上功率输出管
16 Vboot 上功率激励电路供电端(自举升压端)
LLC谐振型开关电源的原理及基本电路;
所谓LLC谐振型开关电源是指,开关电源的功率输出电路是一个谐振电路,在正常工作是;其谐振电路的谐振频率就是激励振荡电路的振荡频率,这样就能保证开关电源有最大的功率输出。
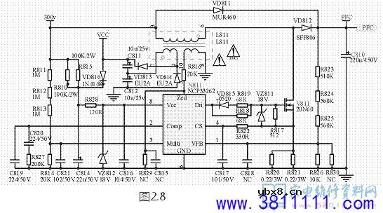
图2.27所示, 就是此LLC开关电源的等效电路,图中开关变压器T831的初级L和电容器C842组成一个串联谐振电路,此串联谐振电路连接于功率输出管V832、V833的输出端A。

电路所以称为LLC开关电源是因为,早期的此类开关电源的电感L是由两只电感组成,一只电感L主要参与谐振,一只电感L主要参与能量存储及输出,另 有一只电容器C是串联的谐振电容,故称为:LLC谐振型开关电源。在图2.27的电路中,已经演变为用一只电感L代替两只电感,既起到谐振的作用又起到能 量存储及输出的作用。在整个的开关电源电路中,我们可以把振荡部分N831和功率输出部分看成为一个“它激型的振荡器”。一般的开关电源的开关管工作在 “开关”状态,输出也是方形波。
而根据振荡器特性的理论:振荡器是输出取决于负载,如果负载是谐振电路,那么输出必定是正弦波(条件是谐振电路必须和输出频率产生谐振)。在这个电路中设计成基本上L和C842的谐振频率约等于N831的振荡频率。
这种LLC谐振型的开关电源到底有什么好处呢?
(1) 由于输出是正弦波,就没有一般开关电源的自感电势脉冲,也就没有电磁干扰EMI的弊病。
(2)由于没有自感电势的脉冲开关管可以选用低电压(Uds)的MOS管,低电压开关管具有更低的饱和压降,有利于进一步的提升电路的效率。
(3) 由于输出是正弦波,确保开关管在有负载情况下的零电压转换(ZVS),也就是开关管在由导通转换到截止、由截止转换到导通,均在正弦波的过零点处进行,大大的提升了开关输出的效率及大大降低开关管的损坏率。
LLC开关电源的稳压控制:
一般的开关电源,其稳压控制是控制开关管导通的时间;即称为:PWM控制方式。而LLC开关电源,输出在正弦波状态,正弦波的正负半周是对称的,也 就不存在控制开关管导通的时间问题。LLC开关电源是控制频率来达到控制输出电压的目的,即是控制振荡器的振荡频率和输出谐振电路的頻偏大小达到控制输出 电压的目的。
在LLC开关电源的输出电路中;L和C842组成了串联谐振电路,在谐振时电感的感抗等于电容的容抗,电容上的压降则等于电感上的压降,两个压降的 相位反相180度。相互抵消;此时理论的总阻抗等于零,电路的电流达到最大值,也就是在谐振时电路具有最大的功率输出,当负载阻值不变时,则谐振是具有最 高的电压输出。
但是在功率进行输出时,随着负载电流的变化,流过电感L的电流也不断变化,电流的变化影响了,电感L的饱和程度,就是当负载电流发生变化时,电感L 的电感量也随之变化。电感量的变化;引起了L和C842组成的谐振电路谐振频率的变化,谐振频率的变化又会引起失谐,影响输出能量的传递。 LLC谐振型开关电源就是利用这一特点,适当的选取振荡频率和谐振电路谐振频率一个适当的頻偏值,当输出负载变化引起电压波动时,谐振频率的变化使能量的 传递也在变化,正好弥补了因输出电压变化引起的电压变化。

图2.28中显示是L和C842组成的一个能量传递的曲线。
图中 小f所示是L和C842组成的谐振电路的谐振点。大F是振荡频率。可以看出谐振电路的谐振点和振荡器的频率不在一个频率点上。存在一个頻偏,并且谐振电路 的谐振频率低于振荡频率。从图2.28的曲线可以看出。谐振电路的频率要是增高,小f就靠近大F输出的功率就增加(输出的电压就提高),反之输出功率就下 降(输出电压就降低)。
下面我们来分析一下;
当负载加重是输出电压下降,并且流过L的电流增大,L的电流增加促使L的电感量下降,L的电感量下降又促使L和C842组成的谐振频率上升,L和C842组成的谐振频率的上升使小f向右靠拢了大F,从而是输出功率提升,即提高了输出电压。

反之如果负载减轻,输出电压上升,流过L的电流减少,L的电流减少促使L的电感量上升,L的电感量上升又促使L和C842组成的谐振频率下降,L和C842组成的谐振频率的下降使小f向左移动拉大了和大F的距离,从而是使出功率下降,即降低了输出电压。
LLC开关电源的保护电路;
N831 NCP1396有两个保护控制引脚,8脚(FF)及9脚(SF),这两只脚有不同的控制功能,
8脚符号为:FF(Fast Fault)称为:快速保护控制端,当故障反馈电压达到设定的阈值,电路立即进入保护状态。
9脚符号为:SF(Slow Fault)称为:延迟保护控制端,当故障反馈电压达到设定的阈值,电路内部启动计数器,延迟一定时间后进入保护状态。(笔者估计此芯片是为专为背光板激励控制设计的集成电路)。
功率输出电路过压保护:当功率输出电路输出的正弦波幅度超过规定值时电路进入保护状态。
输出过压保护;当输出电压出现大幅度变化时;控制电路进入保护状态。
(1) 功率输出电路过压保护电路由C841、R850、R851、VD835、VD834、R852、R853、C840、N832、VZ832、R845、 V831、R846等组成。其中C841、R851、R850、VD834、VD835、C840组成半波倍压整流电路,图2.29所示。当功率放大电路 出现异常电压升高时;倍压整流电路输出电压也升高,该电压加到比较电路N832 TL431的控制端,N832电流增大输出端电压下降,并引起V831导通,V831的导通把VCC电压经过R844、V831加到N831的9脚,并经 过VD832、R840加到N831的8脚这两脚的电压上升,内部的激励电路被关闭,输出电路停止工作。

半波倍压整流电路工作原理:
在T1时间;图2.30所示;幅度为:U的正弦波负半周加到C842、VD835,VD835导通并对C842

充电,C842上面的充电为左正右负;电压幅度为;U 。在T2时间图2.31所示;:U的正弦波正半周加到C842上面和C842上面的充电电压U叠加经过VD835导通,输出电压幅度为2U,经过C840滤波后加到N832的控制端,经过在N832内部的比较控制后控制V831导通并经过VD832同时加到N831的8脚及9脚,实施控制。

7、 LLC开关电源 N+N沟道功率放大电路自举升压电路详细分析:
本开关电源采用了N+N沟道单端功率放大电路作为功率输出级,具有电路简单、波形失真小、效率高的特点,也是LLC开关电源可以采用的最基本电路。 但是此电路的一个比较难以解决的问题是;上桥开关管V832和下桥开关管的激励信号的直流电平相差达到380V电压之高;激励信号也必须是两路相位反相、 幅度相同、有各自适合的直流份量的激励信号来推到此N+N功率输出电路工作。一般的N+P互补单端功率输出电路的单信号激励方法,在此处是不能用了。对于 两路反相激励信号的获得,比较容易,只要激励集成电路设计有两路幅度相同、相位反相的信号输出就可以了,而两路激励信号高达380的电位差是比较难以解决 的,而且此电位差还要随开关管的工作状态不断的变化。
这种N+N沟道功率放大电路的激励信号的直流份量的获取一般采用了“自举升压电路”来完成。在图2.27中,集成电路N831的16脚是上桥开关管 激励电路的VCC供电端(Vboot),在电路中他并没有直接接15V的VCC供电,而是经过二极管VD831再连接于15V VCC供电端,16脚另接一只电容器C836到上桥开关管的源极(功率输出端),此二极管VD831称为自举升压二极管;此电容器C836称为自举升压电 容。图2.32所示

图 2.32 N+N沟道功率放大电路的基本工作条件之一就是N831的16脚电压必须随着上桥开关管V832的工作;在15V和395V之间浮动,才能保证整个功率输 出电路的正常工作,这个浮动就是由VD831和C836组成的自举升压电路来完成的,下面对图2.32自举升压电路的工作原理进行分析。
8、自举升压原理分析:
图2.33所示

(1)、当负激励信号加到上桥开关管灌流电路Q1、Q2;正激励信号加到下桥开关管灌流电路Q3、Q4时;N831的15脚Mupper输出负激励信号 控制V832截止,N831的11脚Mlower输出正激励信号控制V833导通,图2.33所示,此时功率放大器的输出端A点等效接地,为0电 位,N831的14脚HB电压也为0V,此时VCC电压15V经过VD831对C836充电;充电电压为VCC的电压15V上正 下负(二极管VD831的压降忽略),此时;电容两端就保存了一个15V的上正 下负的电压。
(2)、当正激励信号加到上桥开关管灌流电路Q1、Q2;负激励信号加到下桥开关管灌流电路Q3、Q4时;N831的15脚Mupper输出正激励信号 控制V832导通,N831的11脚Mlower输出负激励信号控制V833截止,图2.34所示,放大器的输出端A点等效接+380V,电位 为+380V。此时N831的14脚HB电压已经由0V抬升至+380V。此时;电容器C836的负端连接在14脚(也连接于输出端A点),所以电容器 C836的负端电位也被抬升至+380V,由于电容器C836在V832截止时间已经充电保存了一个上正下负的+15V电压,而此时C836的负端又被抬 升至380V,所以电容器C836正端的电压就为 +395V(380V+15V=395V),电容器的上端(正端)又是连接在集成电路N831的16脚Vboot,集成电路N831内部的上桥开关管灌流 电路的VCC供电端就上升为+395V,这样就保证了功率放大电路的开关管不管是什么状态;上桥开关管灌流电路Q1、Q1的VCC都维持在+15V供电, 在上桥开关管V832导通时,N832的16脚电压上升至395V时,开关二极管VD831处于反偏,电流不会形成对VCC的倒灌。
前面介绍的低压DC~DC降压开关电源部分的自举升压电路(VD907、C913)的工作原理于此相同,不再赘述。
此电路的工作原理有点类似于CRT电视机场扫描电路自举升压电路的工作原理,可以参考。