变压器降压启动电路图
电子元件2026-03-06
自耦变压器降压起动, 又称为补偿器降压起动, 可用抽头调节自耦变压器的变比以改变起动电流和启动转矩大小。传统自耦变压器起动大多数是用加时间继电器来控制。以下是根据某本中级电工培训指导书上自耦变压器
压电陶瓷变压器原理_压电陶瓷变压器的用途
电子元件2026-03-06
压电陶瓷变压器原理 压电陶瓷变压器是通过电能---机械能---电能的二次能量转换,实现低电压输入,高电压输出的新型贴片器件。它的基本结构根据形状、电极和极化方向有多种形式,其中以长条片型结构的压电
电子元件2026-03-06
升压变压器的工作原理 升压变压器是将低交流电压、大电流、小阻抗相应变换为高交流电压、小电流和大阻抗的器件,当初级线圈中通有交流电流时,铁芯(或磁芯)中便产生交流磁通,使次级线圈中感应出电压(
电子元件2026-03-06
升压变压器作用 升压变压器是变压器种类的一种,具有电压补偿升高作用,也有人称之为升压补偿器。其实大多数变压器按照升降电压不同分为升压变压器和降压变压器2大类的,两种变压器从电压情况来分析是截
电子元件2026-03-06
变压器母线电压消失的原因 (1)母线保护范围内的设备发生故障,母线保护跳闸造成电压消失,例如母线支持绝缘子接地,或母线侧隔离开关、母线上的避雷器、电压互感器等发生故障。
电子元件2026-03-06
1、使用专用的变压器设计软件PIXlsDesigner和PITRANSFORMERDesigner,将需要的参数,如输入电压范围、输出电压要求、偏置电压大小、变压器估计功率、功率因数、额定负载、初级线圈层数、次级线圈匝数等参数输入
电子元件2026-03-06
有载调压变压器 变压器存在阻抗,在功率传输中,将产生电压降,并随着用户侧负荷的变化而变化。系统电压的波动加上用户侧负荷的变化将引起电压较大的变动。在实现无功功率就地平衡的前提下,当电压变动超
电子元件2026-03-06
配电变压器 配电变压器简称“配变”,指配电系统中根据电磁感应定律变换交流电压和电流而传输交流电能的一种静止电器。有些地区将35千伏以下(大多数是10KV及以下)电压等级的电力变压器,称为“配电变压
电子元件2026-03-06
变压器过负荷升温的原因 1、如果是因为室温过高,负荷过重等慢慢上升,可以超过85℃继续运行,但最高不能超过95℃(这时变压器中心铁芯或绕组是105℃,会严重损坏绝缘,缩短使用寿命或烧毁变压器);
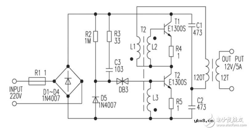
石英灯电子变压器电路图
电子元件2026-03-06
石英射灯虽属热光源灯具.但因具有可调的照明方向和较好的装饰性灯效,所以仍被广泛应用于诸如商场橱窗、展柜、餐厅酒吧、商务前台以及生活居室等环境场所作为装饰照明。射灯中的发光部件称为灯杯.灯杯是石英
卤素灯电子变压器电路图
电子元件2026-03-06
卤素灯它常以石英玻璃做成反射灯罩,制作成石英射灯。石英射灯具有聚光、亮度高、显色性好、外形新颖和寿命长等优点,普遍用于舞厅、宾馆和商场等场所做特殊照明,也可用于展室的橱窗及照相行业的摄影厅。目前
电子元件2026-03-06
变压器异常运行如何处理 一、上层油温升高 1、检查变压器的负荷和冷却介质的温度是否发生了较大幅度的变化,并根据有关技术记录,与该负荷和冷却介质温度应有的油温进行比较。
电子元件2026-03-06
变压器嗡嗡响的原因 (1)因过负荷引起; (2)内部接触不良放电打火;
一文图解电源变压器检测操作方法
电子元件2026-03-06
电源变压器 电源变压器是一种软磁电磁元件,功能是功率传送、电压变换和绝缘隔离,在电源技术中和电力电子技术中得到广泛的应用。根据传送功率的大小,电源变压器可以分为几档:10kVA以上为大功率,10kV
电子元件2026-03-06
配电变压器常见的五种缺陷盘点 一、引线有些缺陷 查看办法:三相直流电阻不平衡率大大逾越4%或某相根柢不通。
差动变压器的工作原理
电子元件2026-03-06
差动变压器的工作原理 差动变压器指的是一种广泛用于电子技术和非电量检测中的变压器装置。主要用于测量位移、压力、振动等非电量参量。它既可用于静态测量,也可用于动态测量。
电位器传感器和XTR04的连接电路图
时间:2026-03-06
如何降低降低继电器功耗?
时间:2026-03-06
工作电压15%Vcc≤VXDH≤85%Vcc电位计传感...
时间:2026-03-06
继电保护中有哪些保护
时间:2026-03-06
继电保护厂家哪家好_世界继电保护排名
时间:2026-03-06
桥传感器发送、接收电路图(具有隔离输出)
时间:2026-03-06
继电保护装置状态分类_继电保护装置的作用介...
时间:2026-03-06
桥传感器发送、接收电路图
时间:2026-03-06
桥传感器和XTR104的基本连接电路图
时间:2026-03-06
载重测力传感电路图
时间:2026-03-06
玻璃釉电容器的结构与特点
时间:2026-03-05
关于STM32WL LSE 添加反馈电阻后无法起振的...
时间:2026-03-05
电阻的标称阻值和允许偏差
时间:2026-03-05
使用过滤器电容器和诱导器来抑制受辐射的EM...
时间:2026-03-05
如何区分电容的正负极
时间:2026-03-05
瓷片电容的意义以及电容抗扰电路设计与分析
时间:2026-03-05
电容电感区别在哪里?特性差异是什么?可编...
时间:2026-03-05
浅谈高压贴片电容分类与性能参数
时间:2026-03-05
聚四氟乙烯电容器的结构与特点
时间:2026-03-05
漆膜电容器的结构与特点
时间:2026-03-05