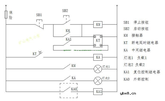
时间继电器应用实例电路讲解
电子元件2026-03-06
我们日常工作中,时常要给一个电路加延时,但是电路本身并不复杂,使用PLC又不划算,一般就会选择使用时间继电器来给电路一个延时。
电子元件2026-03-06
时间继电器是一种自动开关装置,具有延时控制的功能。那么时间继电器应该怎么复位呢?
电子元件2026-03-06
舌簧继电器的发展 从本世纪30年代舌簧触点的诞生开始,舌簧继电器就得到不断的发展。随着工业水平的不断提高,我国在本世纪60年代开始研制舌簧触点和舌簧继电器。由于当时制造技术水平的限制,主要生产的
舌簧继电器的结构组成_舌簧继电器发展方向
电子元件2026-03-06
舌簧继电器的结构组成 舌簧继电器主要由线圈和舌簧管构成。 舌簧管是由两根或三根高导磁材料制成的舌簧片封结在玻璃管中构成的。舌簧片可构成磁路的一部分。封结在玻璃管内的舌簧片自由端电镀一
高频继电器工作原理_高频继电器的结构
电子元件2026-03-06
高频继电器工作原理 高频继电器工作原理:一般由铁芯、线圈、衔铁、触点簧片等组成的。只要在线圈两端加上一定的电压,线圈中就会流过一定的电流,从而产生电磁效应,衔铁就会在电磁力吸引的作用下克服返
多款小型继电器接线图解析
电子元件2026-03-06
如何看懂小型继电器的接线图 继电器有线圈、常开点、常闭点。常用的有2常开、2常闭;4常开、4常闭。
三菱PLC中辅助继电器M的用法
电子元件2026-03-06
三菱FX系列PLC的辅助继电器(M)介绍 用于PLC内部编程,其线圈和触点只能在程序中使用,不能直接对外输入输出,经常用作状态暂存等。
电子元件2026-03-06
热继电器跳闸怎么复位 热继电器的复位方式有手动复位和自动复位两种方式。
热继电器是干什么的_热继电器实现什么保护
电子元件2026-03-06
热继电器是干什么的 当通过热继电器到电动机的电流超过设定值一定时间(内部有热差动元件,超过值越大,动作时间越短),辅助触点动作,输出断开或闭合信号,将控制电动机动作的接触器线圈断开,起到保护
热继电器的电气符号_热继电器上h和a是什么意思
电子元件2026-03-06
热继电器的电气符号 热继电器的电气符号一般表示为KH和FR。 热继电器工作原理是由流入热元件的电流产生热量,使有不同膨胀系数的双金属片发生形变,当形变达到一定距离时,就推动连杆动作,使控
电子元件2026-03-06
热继电器蓝色的是什么按钮 热继电器的两个按钮。 蓝色这个叫复位按钮,上面有‘H’和‘A’两个刻度,H是手动,A是自动;所谓的手动H,就是过载保护后产品不会自动复位(不恢复正常状态,保持动作动
电子元件2026-03-06
热继电器有什么功能 热继电器是用于电动机或其它电气设备、电气线路的过载保护的保护电器。
热继电器的组成_热继电器不动作或误动作原因
电子元件2026-03-06
热继电器的组成 双金属片式热继电器由双金属片、加热元件、触头系统及推杆、弹簧、整定值调节旋钮、复位按钮等组成。
热继电器铭牌参数及含义_热继电器常用规格型号
电子元件2026-03-06
热继电器铭牌参数及含义 热继电器铭牌一般标的产品型号,额定电压,额定电流,设计序号,前面的型号基本相同设计序号各生产厂家有些不一样。
电子元件2026-03-06
热继电器的保护特性 因为热继电器的触点动作时间与被保护的电动机过载程度有关,所以在分析热继电器工作原理之前,首先要明确电动机在不超过允许温升的条件下,电动机的过载电流与电动机通电时间的
断相与相序保护继电器的接线方法图解
电子元件2026-03-06
一般情况下,电动机工作的接线顺序是有规定的,如果由于某种原因,导致相序发生错乱,电动机将无法正常工作甚至损坏。相序保护就是为了防止这类事故发生。
继电器几个典型常用的接线图
时间:2026-03-06
为什么直流继电器要并联二极管呢?
时间:2026-03-06
更换或使用继电器时需要注意哪些事项?
时间:2026-03-06
学习PCB设计需要知道的16个原则
时间:2026-03-06
光伏控制器简介
时间:2026-03-06
PLC现场安装和维护的注意事项介绍
时间:2026-03-06
继电器的工作原理以及驱动电路解析
时间:2026-03-06
三菱PLC功能指令介绍(二)
时间:2026-03-06
三菱PLC辅助继电器和定时器介绍
时间:2026-03-06
HTCC:半导体封装的理想方式
时间:2026-03-06
关于STM32WL LSE 添加反馈电阻后无法起振的...
时间:2026-03-05
电阻的标称阻值和允许偏差
时间:2026-03-05
使用过滤器电容器和诱导器来抑制受辐射的EM...
时间:2026-03-05
高频旁路电容的原理_高频旁路电容的作用
时间:2026-03-05
如何正确的选择电容?晶振电容的计算方式
时间:2026-03-05
漆膜电容器的结构与特点
时间:2026-03-05
玻璃釉电容器的结构与特点
时间:2026-03-05
超级电容器在汽车控制中的应用
时间:2026-03-05
电容器的色标法
时间:2026-03-05
N沟道开漏输出和CMOS输出是什么?
时间:2026-03-05