变压器的冷却方式详解
电子元件2026-03-07
变压器是一种常见的电气设备,其主要功能是改变电压。在变压器运行过程中,会产生大量的热量,如果不能及时散热,将会导致变压器过热,影响其正常工作甚至损坏。因此,对变压器进行有效的冷却是非常重要的。本文将对
音频编码连接器应用电路设计攻略 —电路图天...
时间:2026-03-07
LTC6802与MCU的连接器电路设计详解
时间:2026-03-07
剖析LPC2119USB-CAN连接器电路设计方案
时间:2026-03-07
智慧家庭红外遥控电路设计攻略 —电路图天天...
时间:2026-03-07
电容触摸MSP430电路与LED驱动电路设计详解
时间:2026-03-07
解读FPGA设计程控滤波器系统电路
时间:2026-03-07
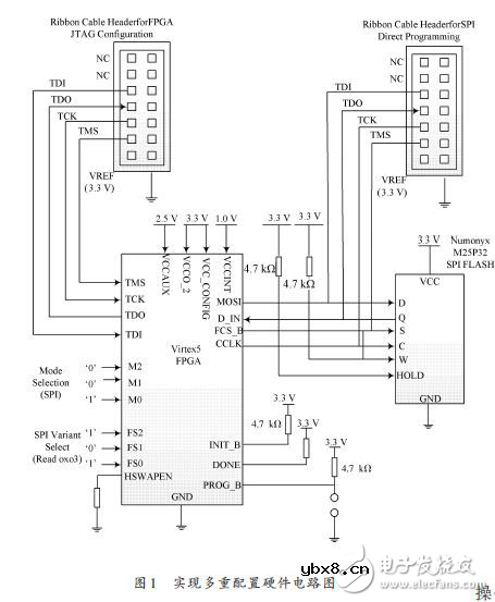
揭秘FPGA多重配置硬件电路设计方案
时间:2026-03-07
数字频率正弦信号发生器控制电路
时间:2026-03-07
FPGA数码相框电子电路设计大全 —电路图天天...
时间:2026-03-07
DSP航姿信号模拟器电路设计详解
时间:2026-03-07
玻璃釉电容器的结构与特点
时间:2026-03-05
电容器入门教程
时间:2026-03-05
关于STM32WL LSE 添加反馈电阻后无法起振的...
时间:2026-03-05
暑期买元器件下单立减还送华为P30pro
时间:2026-03-05
电阻的标称阻值和允许偏差
时间:2026-03-05
使用过滤器电容器和诱导器来抑制受辐射的EM...
时间:2026-03-05
LED固晶机龙头直面“寒冬”
时间:2026-03-05
浅谈高压贴片电容分类与性能参数
时间:2026-03-05
聚四氟乙烯电容器的结构与特点
时间:2026-03-05
漆膜电容器的结构与特点
时间:2026-03-05