什么是DDC(显示数据通道)/S-TFT
显示数据通道(Display Data Channel)的缩写。它是一个VESA的标注,在显示器和视频适配器传输数据。通过DDC,显示器可以通知视频卡一些自己的特性,比如最大分辨率和色深等。视频卡利用这些信息保证用户可以有效地配置显示器。
S-TFT
在最基本的层面,LCD显示器通过所使用的技术相互区分。DSTN LCD仍只存在用于笔记本电脑中。大多数独立的LCD显示器采用TFT技术。这种显示器具有好的对比度、令人满意的亮度和宽视角,图像的刷新速率通常也能实现电影的回放。
超级TFT(S-TFT)是在IPS基础上新开发的技术,它可以在所有的方向、以非常宽的视角(超过60度)观看。但S-TFT比TFT慢,因此只能在有限范围内用于需要运动图像的应用中。
这两者之间的空缺现在被新的MVA显示器填补,这种显示器刷新速率足够用于视频,并提供稳定亮度的画面、满对比度,即使在边沿也没有色彩失真。阻碍MVA显示器推广的不利因素包括价格高以及再现图像的深黑部分时表现不佳,这可能影响电子图像的处理或者对印前(prepress)工作造成妨碍。
相关热词:#电子电路图
基于电压转换输入输出的电源分类
时间:2026-03-06
不同电源的工作原理及优劣势讲解
时间:2026-03-06
用变压器将220v改变成12v,经过整流能给12v...
时间:2026-03-06
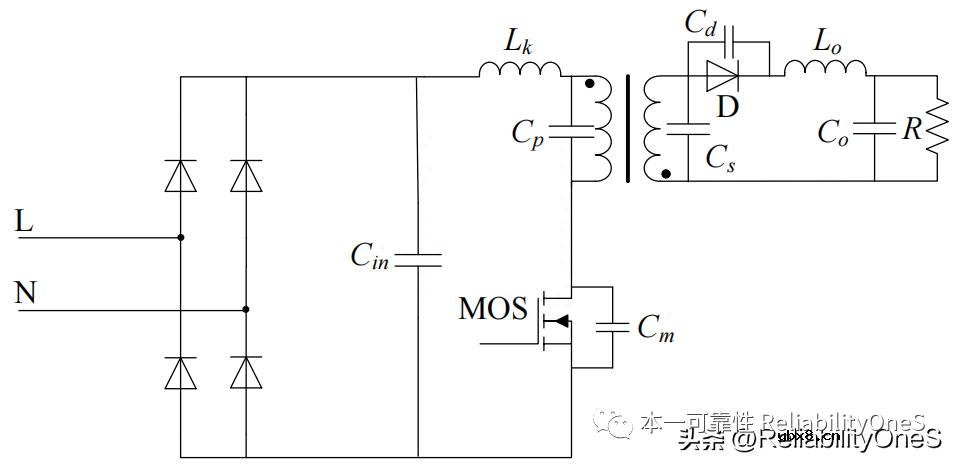
CCM下的FLYBACK电源拓扑开关尖峰形成过程
时间:2026-03-06
变压器建模的原理是什么?隔离型电源变压器...
时间:2026-03-06
什么是串扰?PCB走线串扰详解
时间:2026-03-06
开关电源差模传导发射抑制措施分析
时间:2026-03-06
开关电源共模传导发射分析
时间:2026-03-06
变压器漏感对电源有何影响?
时间:2026-03-06
开关电源输出过压怎样测试?
时间:2026-03-06
什么是追踪缓存/转接卡?
时间:2026-03-06
瞬间抑制二极管(TVS)/瞬间抑制二极管(TVS)是...
时间:2026-03-04
什么是EPIC
时间:2026-03-06
什么是联合并行处理二级缓存?
时间:2026-03-06
什么是Speculative execution/SQRT?
时间:2026-03-06
什么是霍尔传感器
时间:2026-03-05
双向二极管起什么作用?
时间:2026-03-04
分组码,分组码 是什么意思
时间:2026-03-05
半导体材料的主要种类有哪些?
时间:2026-03-04
高级封装,高级封装是什么意思
时间:2026-03-04