高增益红外单光子探测技术研究进展
电子元件2026-03-07
超灵敏单光子探测是光量子信息和量子调控领域发展的关键技术,实现高效率、超灵敏、低功耗以及低成本的单光子探测具有重要的科学意义和应用价值。与可见光波段的Si基单光子探测器相比,红外响应单光子探测器目前在
单向晶闸管调光电路
时间:2026-03-07
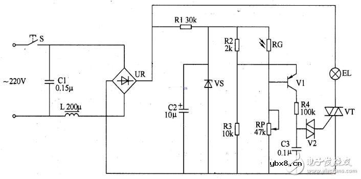
多款双向晶闸管调光电路
时间:2026-03-07
电机正反转电路图讲解
时间:2026-03-07
三相电机顺序启动控制电路图
时间:2026-03-07
三种日光灯调光电路图分享
时间:2026-03-07
三相电动机启动控制电路图
时间:2026-03-07
采用运放实现的单按键开关电路图
时间:2026-03-07
自锁电子开关电路图讲解
时间:2026-03-07
四路互锁开关电路讲解
时间:2026-03-07
双重互锁正反转实物图
时间:2026-03-07
玻璃釉电容器的结构与特点
时间:2026-03-05
电容器入门教程
时间:2026-03-05
关于STM32WL LSE 添加反馈电阻后无法起振的...
时间:2026-03-05
暑期买元器件下单立减还送华为P30pro
时间:2026-03-05
电阻的标称阻值和允许偏差
时间:2026-03-05
使用过滤器电容器和诱导器来抑制受辐射的EM...
时间:2026-03-05
LED固晶机龙头直面“寒冬”
时间:2026-03-05
浅谈高压贴片电容分类与性能参数
时间:2026-03-05
聚四氟乙烯电容器的结构与特点
时间:2026-03-05
漆膜电容器的结构与特点
时间:2026-03-05